VR2AX,
I am slowly getting there but there is still much exploring to do. The 2KL is fully functioning but parts are still coming in like the Tokin 50 C thermal switch.
As for the pinouts on the rear panel power connector, I could not find any identification pin numbers or manufacturer markings on the original factory connector at all. Same with the replacement parts. Since I did not remove the two wires for the front panel on/off switch from the factory connector, I used those connections identified on the schematic as going to pins 3, 6 as reference so pins 2, 5 go to the +40 VDC, and pins 1, 4 are ground.
Funny you show mention that you had the tuner. I just acquired that tuner from an estate on Saturday. Yesterday I was able to test it with the Icom 7100. It works perfectly and is very quiet in operation. I bought it because it can handle 500 watts continuously. My LDG AT-600ProII cannot do that. For digital modes it is limited to about 250 watts.

In the photo is also my SB-200. It needed the relay contacts cleaned. While doing that really brought back how different the 2KL and SB-200 are. The 2KL is close to the complexity of a modest rig like the Ten Tec Century 21 CW transceiver. The SB-200 is much simpler. I suspect this means going forward with solid state amplifiers that fewer hams will be able to service their amplifiers.
The amplifiers are continuing to get more sophisticated too. Elecraft's KPA1500 manages to get 1500 watts pep output with the tuner in a package just slightly larger than the 2KL by itself. Price is about $6,200 new.
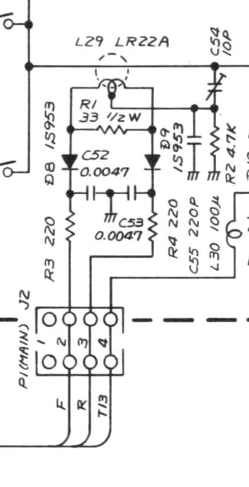
I also recently came across a schematic of the RF portion of the popular Mercury IIIs.

While the 2KL has a 3 dB attenuator at the input followed by clamp diodes to protect the input, the Mercury has has a 17 dB attenuator ( 7 dB comes from the "T" attenuator formed by R2,3 in series with R4, 5 with R7, 8 in shunt ) followed by clamp diodes.
This is a link to "T" attenuator values.
https://www.electronics-notes.com/articles/radio/rf-attenuators/pi-t-bridged-resistor-values-table-calculator.phpSo a 100 watt input is only 2 watts by the time it reaches the actual devices. Since it is stated that only about 50 watts is needed for full output, assuming for a moment that would be 1 kW CW, then the device gain must be in the neighborhood of 30 dB which is considerably higher than the 2KL's device gain of about 13 dB.
The clamp diodes are not ordinary diodes but diodes designed to protect against electrostatic discharge.
https://www.mouser.com/datasheet/2/389/cd00000725-1795467.pdfA demonstration video blasting the input with 100 watts.
https://www.youtube.com/watch?v=CfDO0VNVvnUMeanwhile I am starting to examine how the 2KL's other protection circuits work.